磁條卡閱讀器模塊

一、概述:
磁條卡閱讀器模塊采用了性能優秀的專用解碼IC,具有體積小、功耗低、抗干擾能力強、解碼成功率高、對弱磁卡解碼能力強等特點。讀卡器遵循ISO-7811/7813標準,支持雙向刷卡可,方便嵌入POS機、POS鍵盤、平板電腦等設備中。支持和其他讀卡器連接使用,例如身份證讀卡器、社保卡讀卡器、IC卡讀卡器等集成,行成一套多功能智能卡讀寫器模組。
二、功能特點:
a)專用解碼IC,具有功耗低、抗干擾能力強、解碼成功率高、對弱磁卡解碼能力強等特點。讀卡器遵循ISO-7811/7813標準;
b)支持雙向刷卡,刷卡速度為10cm/sec ~ 150cm/sec;
c)采用高壽命磁頭,刷卡壽命在80萬次以上;
d)串口TTL / RS232接口;
e)串口波特率4800-115200可設置;

三、運用領域:
1、門禁考勤系統
2、POS終端
3、銀行系統
4、ID身份驗證
5、多媒體查詢機
6、醫療自助掛號機、取號機
四、性能參數:
參數項目參數指標
接口方式TTL / RS232
波特率默認9600bps,可修改
靜態電流10mA(DC5V )
磁卡標準ISO / AAMVA / JIS-II
讀取軌道全三軌道
解碼方式F2F(FM)
刷卡速度10cm/sec ~ 150cm/sec
磁頭壽命80萬次以上
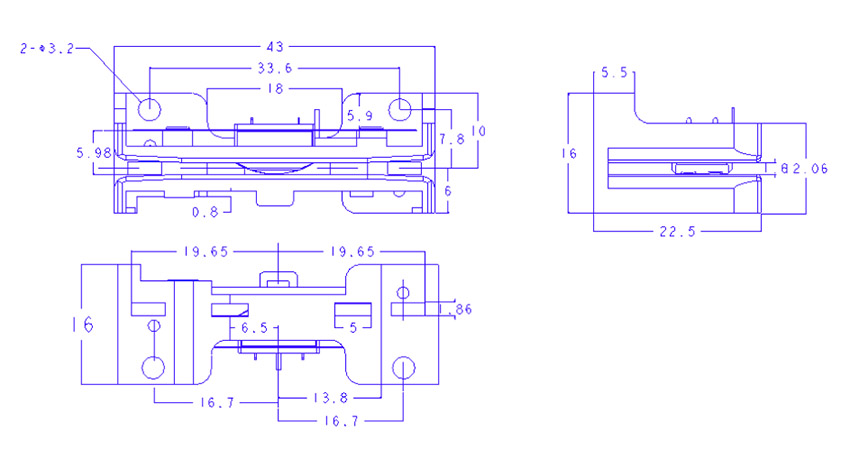
外形尺寸43 * 16 * 22.5 mm
五、注意事項:
a)使用的磁卡要符合ISO-7811/7813;
b)刷卡時用手抓住磁卡中心位置,將磁條對準讀卡器磁頭那面,當卡片移動到磁頭位置時稍微將卡片往下壓然后勻速劃過磁頭,整個過程保證卡片和讀卡器導軌平行,這樣可以獲得100%的成功率;
c)當出現讀卡成功率低,刷卡阻力大的時候請清潔磁頭;
六、安裝尺寸圖:

(*由于產品升級或其他原因,磁條卡閱讀器模塊產品實際參數有可能變更,以實際產品為準。本文中的所有陳述、信息和建議也不構成任何明示或暗示的擔保)
下一篇: EST-100M嵌入式身份證讀卡器小模組




















































